雑草を食べた縄文人(定住化と栽培の始まり)
① 13,000年前に定住化が始まり、野生植物(マメ科・イネ科)の利用が始まった
16,500年前の土器作りの開始とともに土器の中にさまざまな当時の生活情報が取り込まれるようになった。南九州では13,000年前には竪穴住居が出現し、定住化の痕跡が認められる。集落のために開かれた森の中の攪乱空間には、林縁部を中心に小さな種子をつけるイネ科やマメ科の植物が繁茂した。それらを鳥が食べる姿をみていた縄文人たちも次第にそれらを食として利用するようになる。永年にわたる観察から、種子から芽が出、花をつけ、また種子となるしくみを知り、次第にそれら植物を栽培するようになった。このような植物種子を食として利用できるようになったのは、煮炊きができる土器の存在が大きい。

都城市王子山遺跡:ツルマメ(SEM画像)(13,000年前)

都城市相原第1遺跡:アキノエノコログサ(SEM画像)(10,000年前)

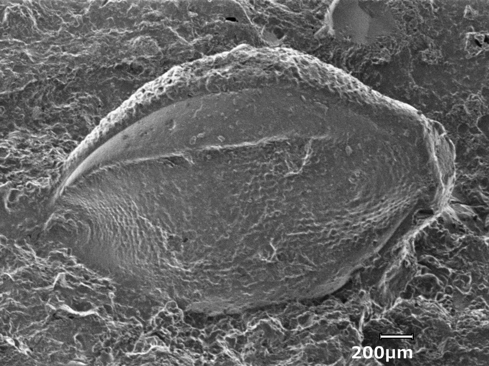
えびの市上田代遺跡:エゾムギ属(SEM画像)(2,900年前)
② 次第に大きくなるダイズ属種子(人の栽培による植物の変化)
土器圧痕として発見されたダイズ属種子圧痕を通時的に並べてみると、時代とともに大型化することがわかる。これは人が栽培をするようになって出現する植物の遺伝的変化の現れである。とくに長野県を中心とした中部地方では、縄文時代前期~中期にかけて集落の大規模化と歩調を合わせるように、ダイズのサイズも大型化していることが明らかになっている。
これまでの考古学の常識では、ダイズは弥生時代にイネとともに中国からやってきたと言われてきた。しかし、土器圧痕ダイズの発見と研究によって、約7,000年前に中部高地や西関東で栽培が開始されたことが明らかになった。

佐賀市東名遺跡:ツルマメ(SEM画像)(8,000年前)

小林市山中遺跡:ダイズ(SEM画像)(4,000年前)

宮崎市本野原遺跡:ダイズ(SEM画像)(3,800年前)

島原市大野原遺跡:ダイズ(SEM画像)(3,600年前)

現代の扁平ダイズ

小林市山中遺跡:ダイズ(3D画像)(4,000年前)

宮崎市本野原遺跡:ダイズ(3D画像) (3,800年前)

中部地方におけるダイズ属種子の大型化